Home
Application
Clean Energy

Clean Energy
In response to carbon peak requirements, the demand for photovoltaic inverters in the short term abroad and the medium and long term domestic market has soared. Yangjie's rectifier, SiC, IGBT devices provide better solutions for clean energy applications such as photovoltaic inverters.
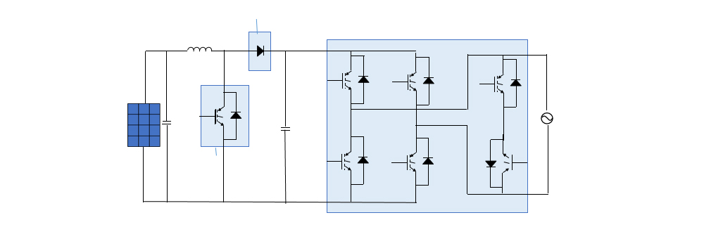
Three-Phase NPC T 3-Level Block ▸
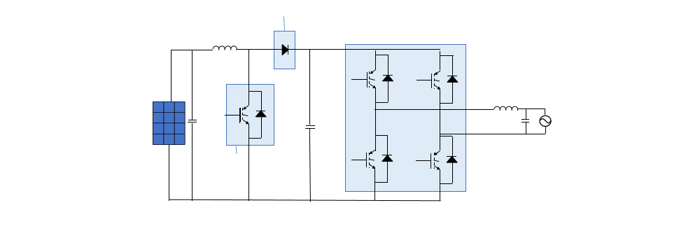
Single-Phase HERIC Block ▸
Solar Inverter Single-Phase Full-Bridge Block ▸
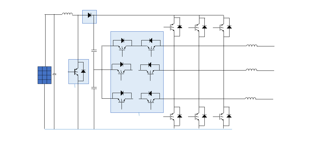
EV Charger LLC Solution ▸
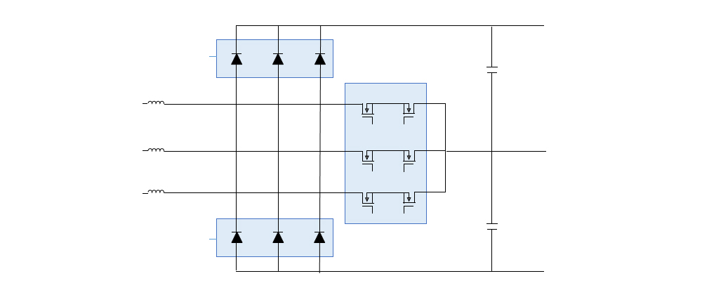
EV charger VIENNA PFC ▸